Motoréducteur 5 RPM pour poêles à granulés

5 RPM tandwielmotor voor pelletkachels

5 RPM tandwielmotor voor pelletkachels. De 5 RPM tandwielmotor voor pelletkachels is een essentieel onderdeel van het pellettoevoersysteem. Deze zorgt voor een soepele rotatie van de vijzel, wat resulteert in een stabiele verbranding, een gecontroleerde temperatuur en een geoptimaliseerd pelletverbruik.

Als de tandwielmotor versleten is, kunt u ongebruikelijke geluiden, verstoppingen, een onregelmatige stroomtoevoer of onverwachte uitschakelingen van het fornuis opmerken. Door deze te vervangen door een nieuwe, betrouwbare en stille tandwielmotor met 5 toeren per minuut, zal uw apparaat direct weer naar behoren functioneren.

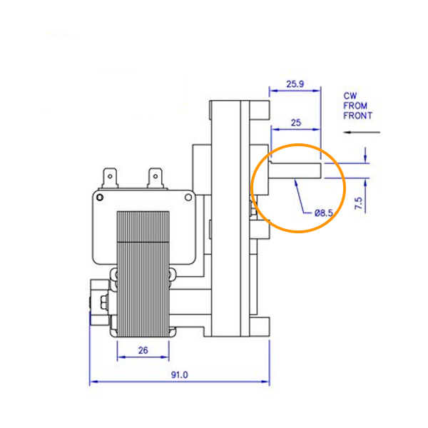
Onze 5 RPM-tandwielmotor is compatibel met een breed scala aan pelletkachelmerken en -modellen, waaronder Ambiente e Calore, Cadel, Deville, Italiana Camini, Karmek One, Qlima, Zibro en vele andere. Dankzij het robuuste ontwerp, de holle as van 8,5 mm en het koppel van 16 Nm biedt de motor een uitzonderlijke duurzaamheid en perfecte rotatiestabiliteit.

Om de compatibiliteit met uw apparaat te controleren, vindt u hier de volledige lijst met ondersteunde modellen.

AMBIËNT EN WARMTE

  • Alle compatibele modellen


BESTFIRE

  • Alle compatibele modellen


CADEL – Ref. COM0232

  • Adina
  • Aida
  • Erika
  • Dun
  • Titania

CADEL – Ref. 4D14513005

  • Diana
  • Familie
  • Martina
  • Leuk
  • Solaris
  • Vanessa
  • Venus
  • Muur

DEVILLE – Ref. D0026179

  • Kerdonis
  • Lilia
  • Lohic
  • Vestalis

EUROFIAMMA

  • Alle compatibele modellen

EUROSTEK

  • Alle compatibele modellen

EERLIJK

  • Alle compatibele modellen

ITALIAANSE VLAM

  • Alle compatibele modellen

ITALIANA CAMINI

  • Alle compatibele modellen


KARMEK ONE – Ref. SML700-00AC

  • Luchtmacht Een
  • Alice
  • Alice 2018
  • Alice Canalizzata
  • Alice 2018 Canalizzata
  • Amelia
  • Aquos
  • Barcelona
  • Berlijn
  • Berlijn 1
  • Bilbao
  • Bonn
  • Como
  • Elektra
  • Elena
  • Florence
  • Firenze Plus
  • Giove
  • Greta
  • Ibiza
  • Leon
  • Linda
  • Lissabon
  • Londen
  • Lucca Plus
  • Madrid
  • Jachthaven 24-34
  • Marta
  • Marter
  • Maria 15-20
  • Marilyn
  • Milena
  • Nikita Acciaio
  • Leuk
  • Oslo
  • Parijs
  • Rome
  • Samantha
  • Saturnus
  • Siena
  • Stockholm
  • Stockholm Plus
  • Valencia
  • Varsavia Acciaio
  • Venere
  • Venetië
  • Vigo

KARMEK ONE – Ref. SML701-00AC

  • Granada

  • Malaga

  • Marina 24-34 LCD

  • Marina 24-34 TOUCH

  • Mary 15A-20 LCD

  • Maria 15A-20 AANRAKEN

  • Osaka Acciaio

  • Tokyo Acciaio


KONING VUUR

  • Alle compatibele modellen

MECATECH

  • Alle compatibele modellen

MG

  • Alle compatibele modellen

PUROS

  • Alle compatibele modellen

QLIMA

  • Alle compatibele modellen

TECNOFLAM

  • Alle compatibele modellen

TMC

  • Alle compatibele modellen


ZIBRO – Ref. COM0232

  • Adina
  • Carmen
  • Titania
  • Toscane
Terug naar blog